Se rendre au contenu

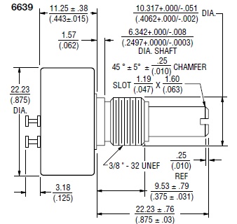
Potentiometer Rotary, Precision 2K SINGLE TURN sans butée

https://oc.reboul.fr/web/image/product.template/215495/image_1920?unique=6b48c50
potentiomètre sans butée
Reference: 6639s-1-202
Code commande: 1239-4739
Disponibilité:
En stock (12)

42,95 € 42.95 EUR 42,95 € TTC

Not Available For Sale

Caracteristiques
Poids: 10g
RoHS: oui
Résistance: 2kOhms
Linéaire / logarithmique: Linéaire
Monotour / Multitours: Monotour
Simple / Double: Simple
Avec interrupteur: non
Tolérance (-/+): 15%
Estimation puissance: 1W
Diamètre axe: 6.35mm
Documents