Se rendre au contenu

EMBASE CI POUR G2R1

https://www.reboul.fr/web/image/product.template/313662/image_1920?unique=e2dcac9
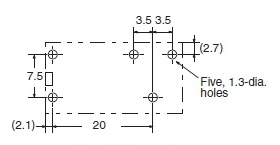
embase relais à souder sur circuit imprimé pour monter des relais type G2R1
Reference: 951320SMA
Code commande: 1238-2873
Disponibilité:
sous 7 jour(s)

8,84 € 8.84 EUR 8,84 € TTC

Not Available For Sale

Caracteristiques
Poids: 10g
Compatibilité: Omron G2R[ ]S
Nombre de broches: 5
Type de connexions: A souder
Montage: Circuit Imprimé
Disposition bornes: En ligne