Se rendre au contenu

RELAIS CI DE SIGNAL A PIQUER L

https://www.reboul.fr/web/image/product.template/172306/image_1920?unique=fecca10
Relai miniature
Reference: G5V124DC
Code commande: 1136-0605
Disponibilité:
En stock (3)

3,36 € 3.36 EUR 3,36 € TTC

Not Available For Sale

Caracteristiques
Poids: 10g
RoHS: oui
Tension de bobine: 24VDC
Courant max (ss 250VAC): 2A
Configuration contacts: RT (Inverseur)
Nombre de contacts: 1
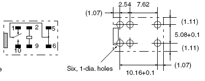
Type de montage: CI
Indicateur à led: non
Bouton de test: non
Mode de fonctionnement: Monostable
Diode de roue libre: non
Documents