Se rendre au contenu

RELAIS CI 1T 5A 12VDC R720 200MW

https://www.reboul.fr/web/image/product.template/112320/image_1920?unique=fecca10
Reference: G6D-1A-ASI12DC
Code commande: 1136-1190
Disponibilité:
Nous contacter

6,83 € 6.83 EUR 6,83 € TTC

Not Available For Sale

Caracteristiques
Poids: 10g
RoHS: oui
Tension de bobine: 12VDC
Courant max (ss 250VAC): 5A
Configuration contacts: NO
Nombre de contacts: 1
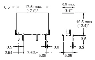
Type de montage: CI
Indicateur à led: non
Bouton de test: non
Mode de fonctionnement: Monostable
Diode de roue libre: non
Documents