Se rendre au contenu

RELAIS SSR EMB SUR SOCLE 0,1A

https://www.reboul.fr/web/image/product.template/458827/image_1920?unique=859c643
Relais statiques compacts, à haute rigidité diélectrique, pour interface d'E/S • Modèles à fréquence de commutation élevée, avec valeurs nominales d'entrée optimales s'adaptant à une grande variété de capteurs • Modules d'entrée et de sortie également compatibles avec le G2R • Utilisation d'un coupleur homologué VDE 0884 pour assurer une rigidité diélectrique d'E/S de 4 kV • Voyant d'état à haute visibilité • Homologations par UL, CSA et TÜV avec version -UTU
Reference: G3R-IDZR1SN-UTU 12-24VDC
Code fournisseur: 124671
Code commande: 1481-3115
Disponibilité:
En stock (3)

50,29 € 50.29 EUR 50,29 € TTC

Not Available For Sale

Caracteristiques
Poids: 18g
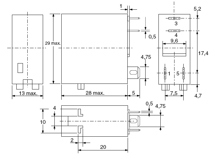
Dimensions: 13 x 28 x 29 mm
Plage tension cmde min: 4V
Plage tension cmde max: 32V
Type sortie: DC
Plage tension charge min: 5V
Plage tension charge max: 24V
Courant commutable: 100mA
Type: ASYNCHRONE
Montage: Rail DIN
Type de commande: Tension DC
Fonction: Tout ou rien
Documents