Se rendre au contenu

DIST.S70 SOV 35 SES OO 5/2 el.mo.as.1/4

https://www.reboul.fr/web/image/product.template/188253/image_1920?unique=484e913
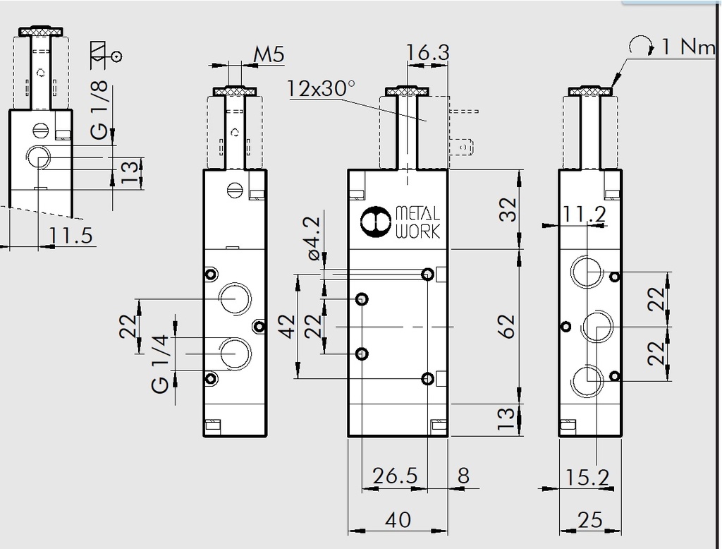
Electro-distributeur pneumatique série 70 Distributeur à commande électrique Les bobines ainsi que les connecteurs sont à commandés séparément
Reference: 7020021500
Code commande: 1126-2770
Disponibilité:
sous 10 jour(s)

96,00 € 96.0 EUR 96,00 € TTC

Not Available For Sale

Caracteristiques
Fonction: 5/2 Monostable
Raccordement: VIS FEMELLE 1/4
Type de commande: Electrique
Débit: 264.26l/m
Pression maxi: 10bar
Pression mini de pilotage: 2.5bar
Documents