Se rendre au contenu

Codeur incrémental, Ø30 mm et axe Ø5 mm, IP64, résolution 1000 imp/tour, sorties émetteur de ligne, alimentation 5 VDC, presse-é

https://oc.reboul.fr/web/image/product.template/274412/image_1920?unique=53daaf7
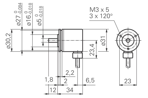
Codeur miniature avec axe sortant ø 5 mm , Principe de détection optique,Boîtier ø 30 mm, Bride synchro.
Reference: BDK 16.05A1000-L5-5
Code fournisseur: 10163629
Code commande: 1298-1465
Disponibilité:
sous 17 jour(s)

594,12 € 594.12 EUR 594,12 € TTC

Not Available For Sale

Caracteristiques
Poids: 85g
Dimensions: 30.2 x 46 mm
Fonction: Incrémental
Résolution (points/tour): 1000
Diamètre codeur: 30.2mm
Diamètre de l'axe: 5mm
Tension d'alimentation min: 5V
Tension d'alimentation max: 5V
Type de sortie: NPN PNP
Indice de protection: IP65
Raccordement: Sortie cable nu
Axe traversant: non