Se rendre au contenu

Détecteur à ultrason

https://www.reboul.fr/web/image/product.template/501975/image_1920?unique=11a6613
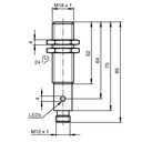
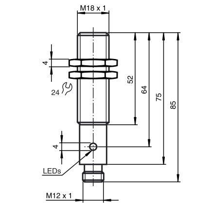
Détecteur à ultrason Boitier cylindrique en laiton nickelé. Transducteur résine époxy/mélange de billes de verre; mousse polyuréthane, capot PBT
Reference: UB500-18GM75-F-V15
Code fournisseur: 120318
Code commande: 1185-0878
Disponibilité:
sous 7 jour(s)

284,76 € 284.76 EUR 284,76 € TTC

Not Available For Sale

Caracteristiques
Dimensions: 85 mm
Forme: M18
Type de sortie: FREQUENCE
Portée nominale min: 30mm
Portée nominale max: 500mm
Raccordement: connecteur M12
Nombre de fils: 5
Tension d'alimentation min: 10V
Tension d'alimentation max: 30V
Indice de protection Ip: IP65
Documents