Se rendre au contenu

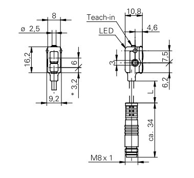
Cellule à élimination d'arrière plan Boîtier plastique , 8*16*11 PNP-claire/sombre,conn. M8 4 pôles déporté radial Portée max

https://oc.reboul.fr/web/image/product.template/272771/image_1920?unique=11a6613
Détecteur reflex à élimination d'arrière plan Boitier en plastique, protégé contre les courts-circuit et l'inversion de polarité.
Reference: FHDK 07P6901/KS35A
Code fournisseur: 10149512
Code commande: 1031-2261
Disponibilité:
En stock (1)

298,56 € 298.56 EUR 298,56 € TTC

Not Available For Sale

Caracteristiques
Dimensions: 8 x 16.2 x 10.8 mm
Type de sortie: DC PNP
Mode de service: DARK-ON + LIGHT-ON
Portée min: 10mm
Portée max: 60mm
Raccordement: cable + connecteur M8 4 broches
Méthode de réglage: Teach-in (apprentissage)
Indice de protection: IP65
Forme: PARALLELEPIPEDIQUE
Methode de détection: Reflexion directe
Technologie: OPTOELECTRONIQUE
Tension d'alimentation: 10-30VDC
Documents